Sell Buy Rent Estate Sell Buy Rent Estate
+7 (495) 478 79 87
Лот №451

Аренда торгового помещения 585 м2 у метро Народное ополчение с НДС

г. Москва, улица Народного Ополчения, 22к2
Народное Ополчение
Цена в месяц
1600000 ₽
Цена м2 в год
32820 ₽
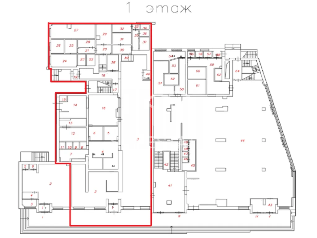
Площадь: 585 м2
Планировка: Открытая
Этаж: 1 из 1
Отделка: качественный ремонт
Высота потолков: 3 м
Парковка: Перед фасадом
Электрическая мощность: уточнитькВт
Вытяжка: есть

Коммерческие условия

Общая стоимость в месяц: 1 600 000 ₽
Цена за м2 в год: 32 820 ₽
Налогообложение: НДС
Коммунальные платежи: Оплачиваются отдельно
Комиссия: без комиссии
Аренда торгового помещения 585 м2 на ул. Народного Ополчения 22, к.2 (5 минут пешком от метро Народное Ополчение). 1-я линия домов.

Помещение 585 м2 располагается на 1 этаже, открытая планировка, отдельный вход с фасада и со двора, высота потолка 3 м, витринные окна по фасаду. Электрическая мощность 80 кВт. В помещении выполнен ремонт. Парковка перед фасадом. Место для размещения рекламы на фасаде.

Ранее располагался ресторан "Тануки". Помещение располагается в центре жилого массива, рядом с метро, рядом остановка общественного транспорта. Интенсивный автомобильный и пешеходный трафик вдоль помещения.

Прямая аренда от собственника, долгосрочный договор.

Арендная плата 1 600 000 рублей в месяц., включая НДС. Без комиссии.